CENTRALNA GRIJANJA
Ključne riječi:
Ishodi učenje, učenici će:

- Uvod - centralna grijanja
Što se sve traži od bilo kojeg sustava grijanja ?
- da se temperatura grijanog prostora postigne što brže i održava što stabilnijom na zadanoj, postavljenoj vrijednosti,
- da se toplinski učinak zagrijača može i automatski regulirati
- da grijaća tijela zauzimaju mali prostor
- da su jednostavni za ugradnju i upravljanje i održavanje
- da su bezopasni i pouzdani kako god ih promatramo
- da su jeftini prilikom nabave.
Od svih načina grijanja, centralno grijanje najviše ispunjava navedene zahtjeve.
Jedini nedostatci su veliki investicijski troškovi, dosta su tromi ako je riječ o velikim sustavima i manje su ekonomični tijekom prijelaznog razdoblja (jesen - zima i zima - proljeće).
Sustavi centralnog grijanja sastoje se od:
- izvora topline (kotao)
- razvodne mreže i
- grijaćih tijela
Grijaća tijela kod sustava centralnog grijanja nalaze se u prostorijama koje zagrijavaju.
Podjela sustava centralnih grijanja:
- prema vrsti tvari za prijenos topline CG dijelimo na:- toplovodno, vrelovodno, parno, vrelouljno i grijanje toplim zrakom (kao na slici 4-1)
- prema vrsti goriva CG dijelimo na:- CG na kruta goriva, CG na kapljevita goriva, CG na plinovita goriva, CG na električnu struju, solarno centralno grijanje i dizalice topline (toplinske crpke).

Što smo naučili ?
- Koje zahtjeve treba ispunjavati svako grijanje ?
- Podijelite sustave centralnog grijanja prema vrsti tvari za prijenos topline.
- Podijelite sustave centralnih grijanja prema vrsti goriva.

-
VODENI SUSTAVI CENTRALNOG GRIJANJA
49.
Kao i što sam naziv govori, prijenosnik topline kod vodenih sustava grijanja je voda.
Podjela vodenih sustava centralnog grijanja:
-
prema najvišoj dopuštenoj temperaturi vode u polaznom vodu:
- toplovodni sustavi vodenog CG (tpol do 100°C)
- niskotlačni vrelovodni sustavi CG (100°C < tpol < 120°C)
-
prema vezi ekspanzijske posude s okolnom atmosferom:
- otvoreni, vodeni sustavi CG
- zatvoreni (tlačni) sustav
-
prema cirkulaciji vode u sustavu:
- pumpni ili crpni
- gravitacijski
-
prema položaju glavnih razdjelnih cijevi:
- s gornjim, donjim i horizontalnim razvodom
-
prema izvedbi cjevnog sustava:
- jednocijevni sustavi
- dvocijevni sustavi
- Tichelmannovi sustavi
-
Crpni ili pumpni sustavi grijanja
Crpni ili pumpni sustavi grijanja rade po načelu prisilne cirkulacije, tj. u sustav se ugrađuje centrifugalna cirkulacijska crpka.
Centrifugalne pumpe su pumpe kroz koje tekućina protječe od smjera crpljenja prema tlačnoj strani djelovanjem centrifugalne sile, s radijalnim tokom strujanja, koja potiskuje tekućinu između lopatica jednog ili više rotora. Centrifugalne pumpe prikladne su za svaku namjenu osim za male količine i male brzine, te za tekućine koje imaju veliku viskoznost.
Slika 4-2 prikazuje jednocijevni i dvocijevni sustav grijanja s donjim i gornjim razvodom s crpkom u polaznom ili povratnom vodu.
Prednosti crpnog sustava centralnog grijanja:
-
Crpni način grijanja primjenjuje se ukoliko se kotao opskrbljuje kapljevitim ili plinovitim gorivom.
-
Crpka se može ugraditi, bilo u polazni ili povratni vod.
-
Cijevi kod crpnog sustava grijanja mogu biti manjeg promjera, a grijaća tijela se mogu postaviti na nižu razinu od razine gdje je postavljen kotao.
-
Cirkulacija vode u instalacijama ostvaruje se bez obzira na njezinu temperaturu, a količina vode u sustavu je stalna.
-
Crpni vodeni sustavi grijanja mogu se izvoditi kao: jednocjevni te dvocjevni s gornjim i donjim razvodom.
-
Tlak u instalacijama je veći od atmosferskog (1,01 bar), pa se zbog toga izvode kao zatvoreni sustavi gdje ekspanzijsku posudu ugrađujemo bilo gdje u kotlovnici.
Nedostatci crpnog sustava su:ovisi o električnoj energiji (za pogon crpke), dolazi do pojave šumova i vibracija u instalacijama te veliki troškovi pogona i održavanja.
-
Gravitacijski sustav ili sustav prirodnom cirkulacijom
Gravitacijski sustav je sustav centralnog grijanja kod kojeg se cirkulacija ogrjevnog medija kroz instalaciju ostvaruje zbog razlike gustoće hladnog i toplog medija.
Gravitacijski sustav se primjenjuje kod kotlova koji su loženi na kruta goriva (drvo, ugljen ili biomasu), te su neovisni o električnoj struji.
Mogu se izvoditi kao: jednocjevni i dvocjevni, s gornjim i donjim razvodom, ali se ipak preporučuje gornji razvod.
Kod gravitacijskih sustava se primjenjuju cijevi većeg promjera, što za sobom povlači i ugradnju armature većeg promjera (npr. veći ventili), a to poskupljuje izvedbu ovakve vrste sustava, za razliku od crpnog sustava.
Kod ovih sustava pojavljuju se veći toplinski gubitci zbog neizoliranih cijevi i armature, dakle toplinska izolacija je skupa.
Gravitacijski sustav nije primjenjiv za kotlove većih opterećenja od 10 kW/m2.
Ekspanzijske posude kod ovih sustava u većini slučajeva su otvorenog tipa - postavljaju se na najvišoj točki instalacije, a vrijednost tlaka u sustavu jednak je vrijednosti atmosferskog tlaka (1,01 bar).
Otvorena ekspanzijska posuda OEP je u stalnoj vezi s okolinom preko odzračnog O i preljevnog P voda, na kojima ne smije biti organa za zatvaranje (ventila i sl.).
Otvorena ekspanzijska posuda proizvođača Centrometal - OPC
Promjeri ovih vodova moraju biti jednaki promjeru sigurnosnog razvodnog voda (SRV) ili manji od Ø25 mm (1''). Kod zatvorenih sustava SRV i sigurnosni povratni vod SPV spojeni su na ekspanzijsku posudu s donje strane.
Slika 4-3 prikazuje gravitacijske sustave: jednocjevne i dvocjevne s gornjim i donjim razvodom.
Kod otvorenih sustava mora postojati SRV - sigurosni razvodni vod, SPV - sigurnosni povratni vod, signalni vod i odzračni vod. Kod zatvorenih sustava toga nema. Kod kotlova za CG priključak, polazni vod je na vrhu, a povratni na dnu - pželjna je što veća razlika.
-
Tichelmannov sustav grijanja
Ovaj sustav grijanja je kombinacija jednocjevnog i dvocjevnog sustava (slika 4-4).
Kod ovog sustava polazni vod bi trabao biti jednak pvratnom vodu po duljini, a pod duljinom podrazumjevamo ukupnu duljinu cijevi od izvora topline (kotla) do grijaćeg tijela (radijatora).
No to je teško u praksi postići. Ako su im duljine jednake, onda bi i padovi tlaka trebali biti jednaki, pa nije potrebno obavljati hidrauličko uravnoteženje.
-
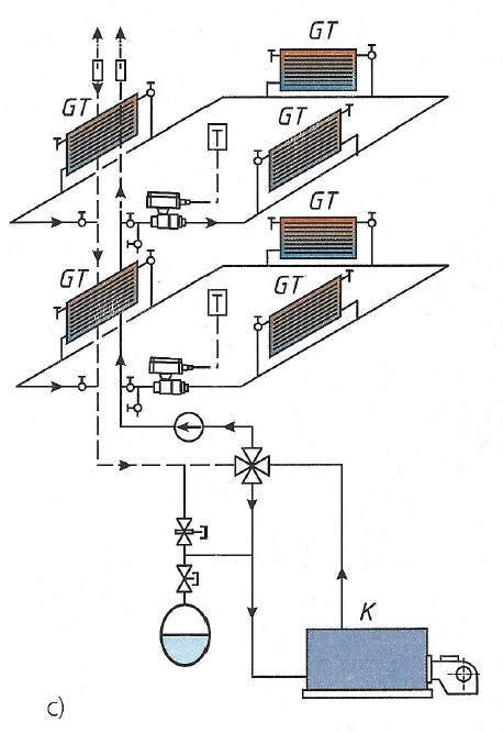
Sustavi s horizontalnim razvodom
Sustavi s horizontalnim razvodom izvode se tako da svaki stan na danom katu tvori zaseban krug grijanja. Ovaj sustav može biti jednocijevni i dvocijevni (slika 4 - 5 c).
Slika prikazuje jednocijevni sustav s horizontalnim razvodom te prisilnom cirkulacijom vode za svaki kat zasebno
-
Etažno - katno grijanje
Etažno - katno grijanje najbolji je primjer horizontalnog razvoda, a može biti s prirodnom i prisilnom cirkulacijom.
Svi dijelovi sustava su na istom katu - etaži (slika 4-5 a i b). To su sustavi grijanja stanova, skupine stanova (etaža) ili obiteljskih kuća.
K - kotao, C - cirkulacijska crpka, GT - grijaće tijelo, SRV - sigurnosni polazni vod, SPV - sigurnosni povratni vod, P - preljev, O - odzračni vod.
Kao izvor topline služe zidni ili podni kotlovi manjeg učinka (do 50 kW).
Može biti kombinirana izvedba npr. priprema PTV. Izvori topline, kotlovi, mogu se izvesti u kondenzacijskoj tehnologiji. Učinak kotla je potrebna količina zagrijavanja, odnosno toplinski gubitci prostorija. Gorivo za izvor topline je plin ili loživo ulje.
Prostorni prikaz klasičnog načina grijanja:

a) jednocijevni sustav
b) dvocijevni sustav
Zbog prednosti koje posjeduje, vodeni sustav ima široku primjenu u zagrijavanju, bilo da je riječ o stambenom ili nekim drugim prostorijama. U vodenim sustavima CG mogu se koristiti sve vrste goriva - kruta, kapljevita ili plinovita.
Može se izvesti s vlastitom ili centralnom kotlovnicom (toplanom). Kod ovog grijanja toplina se može prenositi na veće udaljenosti.
Kada govorimo o regulaciji vodenih sustava, moguća je izvedba bilo koje (pojedinačna ili centralna), što povećava stupanj ekonomičnosti cijelog pogona. Uporabom kvalitetnih materijala, za izradu razvoda, materijala koji su otporni na koroziju (višeslojne cijevi, bakrene cijevi), moguće je smanjiti troškove održavanja i vijek trajanja sustava centralnog grijanja.
Glavni nedostatak vodenog centralnog grijanja je opasnost od smrzavanja ukoliko postrojenje ne radi duže vrijeme, pa je stoga poželjno pražnjenje sustava.
Vodeni sustavi centralnog grijanja su tromi ako se radi o sustavima s velikom količinom vode, zbog čega je potrebno više vremena za postizanje željene temperature prostorija pri zagrijavanju.
Kod eventualnog propuštanja na instalacijama postoji mogućnost poplave stambenog prostora.

Što smo naučili ?
- Kako se vodeni sustav dijeli prema najvišoj dopuštenoj temperaturi ?
- Kako se vodeni sustav dijeli prema vezi ekspanzijske posude s okolnom atmosferom ?
- Kako se vodeni sustav dijeli prema cirkulaciji vode u sustavu ?
- Kako se vodeni sustav dijeli prema položaju glavne razvodne cijevi ?
- Kako se vodeni sustav dijeli prema izvedbi cijevnog sustava ?
- Gdje se primjenjuju vodeni sustavi grijanja ?
- Koji sustav ima manji promjer cijevi, onaj s prirodnom ili onaj s prisilnom cirkulacijom zraka, i zašto ?
- Kod kojeg vodenog sustava se primjenjuju kotlovi na kruta goriva, onog s prisilnom ili prirodnom cirkulacijom vode u sustavu ?

-
PARNI SUSTAVI CENTRALNIH GRIJANJA
Kod parnih sustava, medij za prijenos topline je para, koja se proizvodi u parnim kotlovima.
Za razliku od vode, kao prijenosnika topline, uporabom pare se cijevnom mrežom na velike udaljenosti mogu prenositi relativno velike količine topline.

Kao što se vidi iz slike 4-7 brzine pare u parovodima su velike, a brzine kondenzata su nešto manje, iz tog razloga može doći do pojave hidrauličkog udara na svim mjestima gdje dolazi do usporavanja strujanja (cijevni lukovi, armature).
Parne sustave možemo podijeliti na dva načina:
a) prema pogonskom tlaku i
b) prema položaju kondenzacijskog voda.
a) Parne sustave možemo podijeliti prema tlaku pare na:
-
niskotlačne s najvišim pogonskim pretlakom do 1 bar
-
visokotlačne s pogonskim pretlakom iznad 1 bar
-
vakuumske parne sustave s pogonskim apsolutnim tlakom nižim od 1 bar (održava se vakuumskom crpkom).
b) Prema položaju kondenzacijskog voda parne sustave dijelimo na:
-
parene sustave sa suhim kondenzacijskim vodom.
- parne sustave s mokrim kondenzacijskim vodom.
Parni sustavi grijanja (slika 4-8) primjenjuje se ondje gdje nije moguće primijeniti vodene sustave, npr. kod objekata koje je potrebno grijati neko vrijeme u određenom razdoblju, a to su neki objekti koji nisu u neprestanoj uporabi, industrijski objekti ili objekti gdje para služi za neke tehnološke procese (kuhinje, sušionice i praonice).
Prednosti i nedostatci parnih sustava centralnih grijanja
Prednosti:
Cijeli sustav pokazuje izrazito malu tromost, brzo se zagrijava, opasnost od smrzavanja u vremenu kada pogon ne radi gotovo i ne postoji, površina grijaćih tijela je mala jer je ovdje riječ o velikim koeficijentima prolaza topline.
Nedostatci:
-
Visoka temperatura površine grijaćeg tijela ( t > 100 °C), zbog toga nečistoće koje dospiju na grijaće tijelo gore, čime se stvaraju neugodni mirisi.
-
Instalacija parnih sustava podložna je koroziji, bilo da je u pogonu ili tijekom ljetne stanke, s vrlo malom mogučnošću zaštite od korozije.
-
Vijek trajanja instalacije zbog neizbježne pojave korozije je znatno manji, a održavanje sustava skupo.
-
Nemoguće je izvesti bilo kakvu regulaciju topline na trošilima, a središnja regulacija je praktično nemoguća.
Cijevnu mrežu ovog sustava nazivamo parovodom. Kao medij za prijenos topline parovod upotrebljava niskotlačnu paru koja sadrži dosta vlage koja se taloži u instalacijama ili čak djelomično kondenzira, pa se parovodi moraju polagati nagnuto prema smjeru strujanja. Na horizontalnim dijelovima instalacije ugrađuju se odvajači kondenzata.

Odvajač kondenzata - je uređaj koji se upotrebljava za odvajanje kondenzata i nekondenzirajućih plinova iz vodene pare u zatvorenome sustavu, uz zanemariv gubitak vodene pare koja se nalazi u sustavu


Princip rada termodinamičkih odvajača kondenzata:
Kondenzat i zraka ulaze u odvajač kroz komoru za zagrijavanje, oko kontrolirane komore i kroz ulazni otvor. Ovaj protok podiže disk sa ulaznog otvora i kondenzat protječe ka izlazu.
Kada para dođe do diska, povećan protok (brzina) preko lica smanjuje pritisak u kontroliranoj komori i disk zatvara otvor. Kontrolirano curenje pare iz kontrolne komore izaziva da se odvajač otvori. Ako ima kondenzata on će biti ispušten. Odvajač se ponovo zatvara u prisustvu pare i zatim nastavlja ciklus kontroliranim postupcima.
Za dobro funkcioniranje parnog grijanja potrebno je znati koji pogonski tlak odabrati u kotlu i koji tlak odabrati ispred grijaćeg tijela (tablica 4-1).

Kondenzat
Kondenzat vodene pare je meka topla voda koja je izrazito pogodna za napajanje parnih kotlova i daljnju proizvodnju pare. Kondenzat, slobodnim padom, od trošila, preko kondenzacijskih vodova, dolazi do kotla.
Kondenzat se može prikupljati na više mjesta, pohranjuje se u posebne spremnike, a odatle, s pomoću crpki, do kotla.
- Ako je kondenzacijski vod položen iznad najviše razine vode u kotlu, onda je riječ o suhom kondenzacijskom vodu (slika 4-9).
- Ako je kondenzacijski vod položen ispod razine vode u kotlu, onda je riječ o mokrom kondenzacijskom vodu (Slika 4-10)
Kod vakuumskog parnog grijanja u kondenzacijskim vodovima vlada predtlak koji se održava vakuum-pumpom (crpkom).
Grijaća tijela - radijatori su uvijek ispunjeni parom. Preko posebnog automatskog uređaja osigurava se odvod nastalog kondenzata i zraka, a sprječava odvod pare. Temperatura grijaćeg tijela je niža nego kod niskotlačnog parnog grijanja.
Kod visokotlačnog parnog grijanja pretlak je veći od 0,5 bara. Ono se primjenjuje za daljinsko grijanje na većim udaljenostima.

Što smo naučili ?
-
Kojim se medijem kod parnih sustava prenosi toplina ?
-
Gdje se para proizvodi ?
-
Kako se parni sustav dijeli prema tlaku pare ?
-
Što je kondenzat ?
-
Koje vrste kondenzacijskih vodova postoje ?
-
Gdje se primjenjuju parni sustavi ?
-
Koje su prednosti, a koji nedostatci parnih sustava ?

-
VRELOULJNI SUSTAVI CENTRALNIH GRIJANJA
Kod vrelouljnih instalacija medij s pomoću kojeg se prenosi toplina su specijalna termička ulja koja imaju sposobnost zagrijavanja na temperaturu preko 200 °C pri normalnome tlaku, a da pritom uopće ne isparavaju niti mijenjaju svoja svojstva.
Na tim temperaturama termička ulja uspješno mogu zamijeniti vrelu vodu i paru, od kojih su i ekonomičnija, a prilikom uporabe su bezopasna.
Vrelouljni sustavi se primjenjuju u područjima u kojima je potrebna vrlo visoka temperatura grijaćeg tijela, a to su sustavi centralnog grijanja zračenjem topline, industrija, razni tehnološki procesi i slično.
Prednosti:
-
nisko stinište (do -50 °C), zbog čega tijekom zime nema opasnosti od smrzavanja, čak i kad postrojenje ne radi.
-
nema korozije metala
-
nema opasnosti od eksplozije
-
postrojenje se može u potpunosti automatizirati, pa je njegov nadzor potreban tek povremeno
-
instalacija je jeftina u usporedbi s drugim instalacijama, npr. s parnom instalacijom
Nedostatci:
-
vijek ograničen na 25 000 - 30 000 radnih sati
- kvalitetu ulja potrebno je kontrolirati više puta
- moraju se koristiti materijali otporni na visoke temperature (bakar ne dolazi u obzir)
- zabrtvljenost instalacija igra važnu ulogu jer u slučaju propuštanja može doći do požara
- ulje na visokim temperaturama ima neugodan miris.
Ako se instalaciju kvalitetno izvede, ako se redovito kontrolira kvalitetu ulja i pravovremeno se zamjenjuje, onda je sama instalacija zapravo 100% sigurna.
Termička ulja koja se danas nalaze na tržištu su:
- Faralin S (Aral)
- Transcal LT (BP)
- Termanol T (Esso)
- Thermia Oil E (Shell)
- INA - TERMANOL 32 i VT 32.

Što smo naučili ?
- Koji je medij prijenosnik topline kod vrelouljnih sustava ?
- Koja se svojstva traže od termičkih ulja ?
- Gdje se primjenjuju vrelouljni sustavi ?
- Koje su prednosti, a koji nedostatci vrelouljnih sustava ?
- Nabrojite neka termička ulja koja se danas nalaze na tržištu.

-
GRIJANJE TOPLIM ZRAKOM
Zagrijavanje zraka odvija se neposredno u zagrijačima. Za dobivanje toplinske energije koristimo kapljevito ili plinovito gorivo. Toplinska energija se može dobivati i posrednim putem, s pomoću tople ili vrele vode, ili pare (niskotlačne ili visokotlačne).
Ovaj način grijanja primjenjuje se za grijanje robnih kuća, sportskih dvorana, kupališta, montažnih hala, za grijanje prostora gdje bi smještaj grijaćih tijela bio nepovoljan, kazališta i kino dvorane. Na ovaj način možemo obaviti zaštitu objekata od prodora hladnog zraka stvaranjem tzv. toplih zavjesa.

Kaloriferi sa Cu-Al izmjenjivačem topline i aksijalnim ventilatorom služi za ventilaciju i zagrijavanje industrijskih hala, skladišta, radionica, hangara, trgovina, itd. Odlikuju se visokim učinkom, laganom konstrukcijom, niskim nivoom buke, jednostavnim održavanjem u eksploataciji. Kao grijaći medij koristi se topla voda, vrela voda i para.
Osnovni dijelovi kalorifera:
Nedostatci grijanja toplim zrakom mogu se javiti samo ako je instalacija nekvalitetno izvedena, pa može doći do buke i šumova.
Kalorifer (slika 4-11), ventilokonvektor (slika 4 - 12) i termogen (slika 4 - 13) su uređaji koji služe za zračno grijanje i ventilaciju danih prostora.
Kalorifer je pogodan za grijanje i ventilaciju radionica i velikih skladišnih prostora i drugih prostora za industrijsku namjenu.
Može se postaviti na zid i strop prostorije koja se zagrijava ili ventilira.
Medij s pomoću kojeg se zagrijava zrak je para, topla voda ili vrela voda.
Na ulaznoj i izlaznoj strani kalorifera nadograđuje se elementi čiji je zadatak što lakše primiti zrak iz prostorije ili izvana, a na izlazu što bolje usmjeriti zagrijani zrak.

Ventilokonvektor se upotrebljava za grijanje i ventilaciju komfornijih prostora poput hotela, škola i restorana.
Za zagrijavanje zraka najčešći medij koji se upotrebljava je topla voda.
Ventilokonvektori se izrađuju u više varijanti:
- stojeći za ugradnju na pod,
- ležeći za ugradnju na strop.
Mogu biti s vlastitim kućištem ili bez njega, ovisno o tome gdje se ugrađuju, primjerice ventilokonvektori bez kućišta ugrađeni su u stropnoj konstrukciji.
U ventilokonvektore se ugrađuju bešumni ventilatori ili ventilatori s vrlo malim šumom sa stupnjevitim brojem okretaja.

Termogen je uređaj koji je po svojoj konstrukciji dosta različit od kalorifera i ventilokonvektora.
Najčešće se izrađuju kao samostojeći.
U termogenima dolazi do izgaranja plinovitog ili kapljevitog goriva čiji ogrjevni plinovi prolaze kroz izmjenjivač topline koji zagrijava zrak usmjeren preko danih izmjenjivača.
U većini slučajeva služi za grijanje i ventilaciju radioničkih prostora.
Može raditi samostalno ili se priključiti na zračni kanal za razvod zraka.

Što smo naučili ?
- Gdje i kako se zagrijava zrak ?
- Gdje se primjenjuje grijanje toplim zrakom ?

-
PANELNA ILI POVRŠINSKA GRIJANJA
Panelna ili površinska grijanja su vrsta centralnog grijanja, kod koje ulogu radijatora - grijaćeg tijela - imaju velike grijane površine.
Toplina se kod ovakvih vrsta grijanja uglavnom dominantno predaje zračenjem.
Donje slike prikazuju razlike u predaji topline prostoriji, između radijatorskog grijanja i podnog grijanja, na kojima je očita prednost podnog grijanja po pitanju zračenja topline:
Slika pokazuje kako se topli zrak iz radijatora podiže čineći pod najhladnijim mjestom u sobi, a strop najtoplijim.
U panelna grijanja se ubrajaju stropna, zidna i podna grijanja.

-
STROPNO GRIJANJE
Stropno grijanje je posebna vrsta izvedbe grijanja s pomoću tople vode s prisilnom cirkulacijom.
Ugrijana stropna površina emitira toplinsko zračenje koje zagrijava sve okolne površine što okružuju prostor.
Toplina se od toplog medija do zraka u prostoriji prenosi na sva tri moguća načina konvekcijom, kondukcijom i zračenjem.
Temperatura stropa je ograničena iz fizioloških razloga, a ovisi o visini prostorije. U prostorijama visokim 3 i više metara i s ugrađenom ogrjevnom površinom od 15 (m2) temperatura stropa ne smije biti viša od 35 °C.
Stropno grijanje ima brojne prednosti: osjećaj ugodnosti je povoljan, rad je bešuman, nema nikakve opasnosti od požara, a toplinski gubitci su zanemarivi.
Ovo grijanje cijenom konkurira ostalim vrstama grijanja i njegov vijek trajanja je čak do 35 godina.
Navedimo neke izvedbe stropnog grijanja:

Video prikazuje stropno grijanje i hlađenje proizvođača Uponor:

-
ZIDNO GRIJANJE
Zidno grijanje je vrsta površinskog grijanja kod koje se vanjske zidove, u visini do 1,5 m, ugrađuju cijevi kroz koje cirkulira topli medij (slika 4-18).

U vanjske se zidove mogu ugrađivati grijaće ploče ili paneli, koji se postavljaju ispod prozora i mogu biti u kombinaciji sa stropnim grijanjem.
Prednost zidnog grijanja u odnosu na grijanje radijatorima je ta što se toplina većinom prenosi zračenjem.
Konvekcija je puno manja nego u sustavima grijanja radijatorima pa u prostoriji ima i manje prašine, što je osobito važno za ljude koji su na prašinu alergični.
Ako se zidno grijanje koristi umjesto radijatora, temperatura zraka u prostorijama može pasti od 1 do 4 °C. Naime, čovjek se osjeća ugodno i pri temperaturi zraka od 18 do 19 °C, dok je ona kuju stvara radijatorsko grijanje 20 do 22 °C, a temperatura niža za 2 do 3 °C snižava troškove za 10 - 15%.
Zidni sustav grijanja može imati nisku temperaturu ogrjevnog medija i zbog toga se može kombinirati s dizalicama topline i solarnim kolektorima, pa ljeti se može isti cijevni razvod može koristiti i za hlađenje.
Zidno grijanje se slabije koristilo od svih ostalih vrsta grijanja zbog zahtjevne montaže, ali u današnje vrijeme ovaj tip grijanje se izvodi pomoću gotovih elemenata, što je izvedbu sustava zidnog grijanja značajno pojednostavilo, te se zidno grijanje danas može ugraditi u prostorije prije i u završnoj obradi zidova.
Na tržištu postoje gipsane ploče s integriranim cijevima, a njihova je montaža čista i brza zbog čega takav sustav montaže nazivamo suhom izvedbom.
Osim toga, cijevi za grijanje mogu se polagati u zid, odnosno u montažne vodilice pričvršćene na zidu.
Montaža cijevnog sustava, zidnog grijanja, uz pomoć zidnih vodilica:

-
PODNO GRIJANJE
Cijevi ili cijevni registri polažu se u podnu konstrukciju koja s donje strane mora imati dobru toplinsku izolaciju (slika 4-19 i 4-20).
Način polaganja cijevi može biti različit ako se radi o višeslojnim cijevima (slika 4-21). Višeslojne cijevi se polažu u posebno izrađenu podlogu od stiropora, gdje je razmak između cijevi unaprijed definiran a isti omogućava i dobru toplinsku izolaciju ispod cijevi, slika 4-21a.
Slika 4-21a, prikazuje stiropor ploču za polaganje višeslojnih cijevi podnog grijanja. Ova ploča ima dvojaku funkciju, služi za uredan raspored cijevi u krugu grijanja, kao i funkciju toplinske izolacije.
Video 4-21b, prikazuje postupak polaganja cijevi za podno grijanje u stiropor ploče.
Duljina jednog kruga grijanja ne bi smjela prelaziti 160 m jer kod duljih krugova od 160 m otežana je regulacija temperature. Zato je kod većih površina potrebno ugraditi više grijaćih krugova.
S obzirom na to da je temperatura poda iz fizioloških razloga ograničena na 24 - 29 °C, i toplinski učinak podnog grijanja je ograničen.
S obzirom na to da je riječ od niskotemperaturnom grijanju (60/50 ili 55/45 °C), zrak ne gubi mnogo relativne vlažnosti, a nema ni velike cirkulacije zraka u prostoriji. Iz tog razloga je ovo grijanje najpogodnije o svih ponuđenih vrsta grijanja.
Jedno od atraktivnijih grijanja svakako je električno podno grijanje (Slika 4-22 i 4-23), a u njegovoj izradi prednjači tvrtka Danfoss, s toplinskim opterećenjem od 150 W/m2, za slučaj kada su pločice na podu, a kada je drveni pod, tada je opterećenje do 100 W/m2.
- Dimenzioniranje podnog grijanja
Pri dimenzioniranju podnog grijanja važna je veličina ogrjevne plohe (slika 4-24).
U stambenim prostorima ogrjevna ploha podnog grijanja je jednaka ukupnoj površini, dok u kuhinjama i kupaonicama tome nije tako, tj. na ona mjesta gdje dolaze kuhinjski elementi ne treba postavljati podno grijanje.
Za boravišnu, odnosno površinu na kojoj se odvijaju aktivnosti u prostoriji iznos površinske temperature je 29 °C, a najveće toplinsko opterećenje 100 W/m2.
Za obrubnu površinu, odnosno dio površine uz vanjske zidove maksimalna temperatura je 35 °C, a toplinsko opterećenje 160 W/m2.
Temperaturni režim podnog grijanja određuje se isključivo proračunom, a nikako na osnovi iskustva.
Slika 4-25 nam pokazuje da je podno grijanje bolje od ostalih ponuđenih grijanja jer je visinska temperaturna raspodjela podnog grijanja najbliža visinskoj temperaturnoj raspodjeli idealnog grijanja.
Slika 4-25 nam govori kod kojeg grijanja i gdje u prostoriji struji topliji ili hladniji zrak, a slika 4-27 gdje vladaju pojedine temperature i koja im je vrijednost.

Što smo naučili ?
- Koje su vrste panelnih grijanja ?
- Navedi osnovne karakteristike stropnog grijanja.
- Što je zidno grijanje i kako se izvodi ?
- Što je podno grijanje ?
- Na koji se način može izvesti podno grijanje ?
- U usporedbi s drugim grijanjima, kakvo je podno grijanje glede visinske temperature ?
- Gdje se primjenjuje podno grijanje ?
Domaća zadaća:
Riješiti radnu bilježnicu u radnoj bilježnici "TEHNOLOGIJA GRIJANJA I KLIMATIZACIJE":
Poglavlje: 4. Centralna grijanja
- str. 17: zadatci od 1 do 5
- str. 18: zadatci od 6 do 13
- str. 19: zadatci od 1 do 6
- str. 20: zadatci od 7, 8, 9, 10 i 12.

Create Your Own Website With Webador